优势特点:CPC直线导轨AR系列的优点:CPC直线导轨AR系列的精度方面很好,动力需要上也很低,因此非常适合高速运行。能够承受各个方向的负载。因为CPC的直线导轨设计结构十分特殊,区别于滑动导引侧向负荷比较低,所以,CPC直线导轨的精确度比较高。





具刮刷功能之不锈钢加强片,L型的设计能用螺丝在滑座的上方及下方固锁,强化端盖刚性及包覆性。使产品能够高速运动。AR轻量化直线导轨主要提供VC、V0等预压等级,提高与客户加工件公差的容许度,增加使用便利性,更能节省客户加工成本。
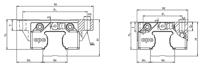
CPC轻量化滚珠直线导轨系列采用高负荷、高刚性O型排列四列式滚珠循环设计,滚珠轨道面与滚珠接触角为45度,可达到四方向等负荷之效果。AR轻量化直线导轨,滑座的四列循环通道,有两列位于塑料配件中,可降低10~20%滑座重量。
润滑构造简单,滑动导引若润滑不足,将会造成接触面金属直接摩擦损耗床台,而滑动导引要润滑充足并不容易,需要在床台适当的位置钻孔供油。CPC直线导轨则已在滑块上装置油嘴,可直接以注油枪打入油脂,亦可换上专用油管接头连接供油油管,以自动供油机润滑。
◆耐高速
◆轻量化钢体回流孔设计
◆与ARC/HRC/ERC共享滑轨
◆加工件配合公差容许度高
◆四方向等负荷设计
◆可提供钢材表面特殊处理
◆可提供上锁式及下锁式滑轨
◆极佳动力表现:Vmax>5m/s,amax>300m/s2
◆端面双密封唇防尘设计,可提供接触式泛用型及非接触式低阻力型两种型式






AR15MS AR15MN AR15FS AR15FN AR20MS AR20MN AR20FS AR20FN AR25MS AR25MN AR25FS AR25FN






AR15MS AR15MN AR15FS AR15FN AR20MS AR20MN AR20FS AR20FN AR25MS AR25MN AR25FS AR25FN
上一篇:AR25FN
下一篇:没有了















